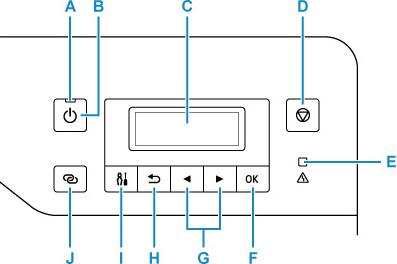
Panel operacyjny

- A: Kontrolka WŁ. (ON)
- Po włączeniu zasilania miga, a następnie świeci światłem ciągłym.
- B: przycisk WŁ. (ON)
-
Służy do włączania i wyłączania zasilania.
- C: LCD (ciekłokrystaliczny)
- Wyświetla komunikaty, pozycje menu i informacje o stanie aktywności urządzenia.
- D: przycisk Stop
- Umożliwia anulowanie operacji w trakcie drukowania lub wybierania pozycji menu.
- E: Kontrolka Alarm
- Świeci lub miga po wystąpieniu błędu.
- F: Przycisk OK
- Zatwierdza wybranie pozycji menu. Służy również do naprawiania błędów.
- G: Przyciski
i 
- Używane do wybierania pozycji ustawień. Służą również do wprowadzania znaków.
- H: Przycisk Wstecz (Back)
- Powoduje wyświetlenie poprzedniego ekranu na wyświetlaczu LCD.
- I: Przycisk Ustawienia (Setup)
- Powoduje wyświetlenie ekranu Menu ustawień (Setup menu). W menu tym można przeprowadzać konserwację drukarki oraz zmieniać jej ustawienia. Używany również do wybierania trybu wprowadzania.
- J: Przycisk Połączenie bezprzewodowe (Wireless connect)
- Aby ustawić informacje o routerze bezprzewodowym w drukarce bezpośrednio za pomocą smartfonu lub podobnego urządzenia (bez konieczności dokonywania zmian w routerze), naciśnij i przytrzymaj ten przycisk.

